Оглавление
Что такое выхлопные зажимы U-Bolt
Общие типы и материалы
Как измерить размер зажима перед покупкой
Как установить и использовать выхлопные зажимы U-Bolt
Насколько плотные зажимы U-Bolt должны быть на выхлопных трубах?
Могут ли зажимы U-Bolt остановить утечку выхлопных газов?
U-Bolt Clamps повторно используются?
U-bolt зажимы против других типов зажимов
Приложения в автомобильных и промышленных условиях
Объемный заказ: то, что покупатели должны учитывать
Последние мысли
Что такое выхлопные зажимы U-Bolt
Когда вы работаете с выхлопными системами, одним из самых простых, но наиболее важных компонентов, с которыми вы столкнетесь, является выхлопный зажим U-Bolt . Дизайн прост: u-образный болт, седло и две гайки. И все же эта небольшая часть играет ключевую роль в поддержании подключения, запечатанных и безопасных труб.

В транспортных средствах выхлопные трубы постоянно подвергаются воздействию тепла, вибрации и расширения. Без надежного соединения, трубы ослабляют, развиваются утечки, а производительность страдает. Вот почему зажим U-Bolt по-прежнему широко используется в автомобилях, грузовиках, автобусах, автобусах, мотоциклах, сельскохозяйственной машине и даже стационарных генераторах.
Несмотря на то, что другие зажимы появились за эти годы, зажимы U-Bolt остаются популярными, потому что они экономически эффективны, просты в использовании и доказали, что.
Общие типы и материалы
Не все выхлопные зажимы U-Bolt построены одинаково. В зависимости от того, где и как вы их используете, вам нужно выбрать правильный материал и прочность.
Стальные зажимы с цинком : это самый распространенный тип, доступный и достаточный для многих повседневных ремонтов. Планирование обеспечивает базовую коррозионную стойкость.
U-болт-зажимы из нержавеющей стали : более прочные, предназначенные для высокопроизводительных выхлопных газов или суровых сред. Они сопротивляются ржавчине, что важно, если вы находитесь в регионах с солеными дорогами или влажным климатом.
Тяжелые усиленные зажимы : изготовленные из более толстой стали, предназначенные для грузовиков, автобусов и промышленных выхлопных систем, где вибрация более интенсивная.
Для дистрибьюторов и механиков понимание этих различий помогает вам порекомендовать правильный зажим своим клиентам. Для объемных покупателей выбор правильного материала также уменьшает гарантийные претензии и повышает удовлетворенность клиентов.
Цинковая сталь
Нержавеющая сталь

Более толстая сталь
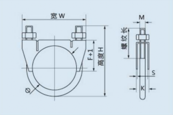
Как измерить размер зажима перед покупкой
Один из наиболее распространенных вопросов поиска: как измерить размер зажима? Процесс прост, но это также одна из самых частых причин упорядочения ошибок.
Вы всегда должны измерять внешний диаметр (OD) вашей выхлопной трубы , а не внутреннюю. Если ваша труба измеряет 2,5 дюйма OD, вам нужен 2,5-дюймовый зажим U-Bolt. Частый вопрос PAA: какого размера U-Bolt Clapm мне нужно для выхлопной трубы 2,5 дюйма? -И ответ прост: 2,5-дюймовый зажим.
Еще одна деталь, которую стоит проверить, - это размер резьбы болтов. В то время как диаметр трубы решает размер зажима, диаметр резьбы и высота определяют, будут ли ваши инструменты работать эффективно во время установки. Для семинаров, которые переключаются между метрикой и империалом, сохранение диаграммы конверсии позволяет избежать путаницы.

U-Bolt Clamp Technical Parameter
| Размер | Ø | Высота h | Ширина W | Длина резьбы L | F | M | K | S |
A
| 36 | 63 | 63 | 25 | 28.5 | M8 | 15 | 2 |
| 38 | 64 | 64 | 25 | 29 | M8 | 15 | 2 |
| 42 | 65 | 70 | 25 | 31 | M8 | 15 | 2 |
| 45 | 73 | 73 | 30 | 33 | M8 | 15 | 2 |
| 48 | 77 | 76 | 30 | 34 | M8 | 15 | 2 |
| 50 | 79 | 78 | 30 | 36 | M8 | 15 | 2 |
| 54 | 83 | 82 | 30 | 37 | M8 | 15 | 2 |
| 58 | 87 | 86 | 30 | 40 | M8 | 15 | 2 |
| 63.5 | 75 | 92 | 30 | 43 | M8 | 15 | 2 |
| 65 | 94 | 93 | 30 | 44 | M8 | 15 | 2 |
| 70 | 95 | 100 | 40 | 43 | M8 | 15 | 2 |
| 73 | 110 | 102 | 40 | 43 | M8 | 15 | 2 |
B
| 54 | 89 | 87 | 40 | 32 | М10 | 17 | 3 |
| 94 | 128 | 128 | 45 | 60 | М10 | 21 | 3 |
| 106 | 150 | 138 | 45 | 65 | М10 | 21 | 3 |
Больше размера и материала могут быть предоставлены в соответствии с требованиями клиентов. Выше данные только для справки.
Как установить и использовать выхлопные зажимы U-Bolt
Многие покупатели также спрашивают: как установить выхлопные зажимы U-Bolt? А как правильно использовать зажимы U-Bolt?
Процесс установки не сложный, но некоторые детали имеют все значение:
Сдвиньте зажим по трубопроводу перед затяжкой.
Равномерно позиционируйте седло на сустав.
Затяните обе гайки постепенно , чередующиеся стороны, чтобы сохранить уровень зажима.
Проверьте утечки после работы двигателя.
Насколько плотные зажимы U-Bolt должны быть на выхлопных трубах?
Вы должны затягиваться, пока соединение не станет безопасным, но не раздавленным. Чрезмерное затяжение может деформировать трубу, ограничить поток или даже вызвать трещины. Хорошее правило состоит в том, чтобы остановиться, как только зажим чувствует себя уютно, а труба больше не сдвигается.
Могут ли зажимы U-Bolt остановить утечку выхлопных газов?
Да, они могут запечатать незначительные утечки, если они установлены правильно. Однако, если труба сильно корродирована или смещена, только зажим только не решит проблему - вам может потребоваться заменить трубу или использовать полосовый зажим для более чистого уплотнения.
U-Bolt Clamps повторно используются?
Это еще один частый вопрос покупателя. Теоретически, вы можете повторно использовать их, если зажим не деформирован и не ржавый. На практике лучше использовать новые зажимы при переустановке выхлопных труб, особенно в профессиональном семинаре. Они недороги, а новые зажимы обеспечивают более сильное удержание.
U-bolt зажимы против других типов зажимов
Покупатели часто сравнивают зажимы U-Bolt с другими вариантами и спрашивают: в чем разница между зажимом U-Bolt и зажимом группы?
U-Bolt Clomps : низкая стоимость, сильная хватка, широко доступная. Они могут слегка обжим трубкой, что хорошо для стандартного ремонта.
Зажимы полосы : обеспечить более плавное уплотнение, не искажая трубу. Часто используется, когда важен чистый соединение, например, в установках выхлопных газов послепродажного выпуска.
V-Band Clamps : высококачественный вариант, часто встречающийся в транспортных средствах производительности. Они допускают быструю разборку, но поставляются по более высокой стоимости.
Если вы управляете мастерской или распределяете детали для повседневных транспортных средств, U-Bolt Clomps обычно являются наиболее практичным выбором. Зажимы группы и V-диапазона лучше подходят для специализированных приложений.
Выхлопная лента зажим
V ЗАГРУЗКА
Приложения в автомобильных и промышленных условиях
В то время как большинство людей ассоциируют зажимы U-Bolt с автомобильными выхлопными системами, они также распространены в других отраслях.
Пассажирские автомобили и грузовики : используются в оригинальных выхлопных соединениях и замене вторичного рынка.
Тяжелые транспортные средства : грузовики, автобусы и сельскохозяйственные машины, где вибрация и нагрузка выше.
Генераторы и промышленные двигатели : стационарные выхлопные системы, которые требуют безопасных соединений.
Строительное оборудование : бульдозеры, экскаваторы и другие машины, которые работают в пыльной, высокопроизводительной среде.
Из-за этой универсальности зажимы U-Bolt всегда востребованы-не только для ремонта автомобилей DIY, но и для дистрибьюторов, обслуживающих несколько отраслей промышленности.
Объемный заказ: то, что покупатели должны учитывать
Если вы дистрибьютор, поставщик гаража или оптовик, покупка выхлопных зажимов U-Bolt в объеме требует больше, чем просто выбор правильного размера. Вы также захотите рассмотреть:
Последовательность материала
Доступность диапазона размеров
Качество болта и резьбы - более сильные болты означают меньше неудач во время затягивания, мы обычно предоставляем два основных стандартных стилей гайков

Упаковка -в штучной упаковке, насыщенной или индивидуальной упаковке в зависимости от вашей модели продаж.
Настройка - более толстые седла, расширенные болты или штампованный брендинг, если вы хотите дифференциации на местном рынке.
Мы часто видим повторные заказы от дистрибьюторов, которые впервые тестировали небольшие партии, а затем расширялись до индивидуальных решений. Имея непосредственное дело с производителем, вы можете согласовать производство с вашими рыночными потребностями.
Последние мысли
Итак, актуальны ли выхлопные зажимы U-Bolt на сегодняшнем рынке? Ответ да. Они остаются одним из самых экономически эффективных, широко надежных решений для подключения выхлопных труб.
Если вы знаете, как измерить размер зажима , понимаете, как правильно их установить и использовать их , и выберите правильный материал, эти зажимы будут хорошо обслуживать ваших клиентов. Для оптовых покупателей работа напрямую с заводской завод обеспечивает последовательное предложение, контроль качества и возможность запросить пользовательские спецификации.
Если вы рассматриваете объемные заказы, посмотрите на наши выхлопные зажимы U-Bolt, изучите нашу более широкую коллекцию выхлопных зажимов или посетите нашу домашнюю страницу Factory , чтобы обсудить адаптированные варианты поставок для вашего бизнеса.