| штат: | |||||||||
|---|---|---|---|---|---|---|---|---|---|
| Хомуты YDCT с U-образным болтом предназначены для крепления выхлопных труб и компонентов в автомобильной и промышленной технике, обеспечивая надежное соединение без сварки. Мы предоставляем материал вытяжного хомута U-образного болта, который делится на два вида углеродистой стали и нержавеющей стали 304, продукт состоит из гаек, болтов и трех частей основания, а также прокладки (опционально). Общий рынок другой, характеристики гаек разные, толщина основания разная. U-образный болт M8 или 5/16 дюйма, U-образный болт, диаметр 7 мм, толщина основания 2 мм, толщина основания 3/8-16 — 2,75 мм (как правило, на рынке Северной Америки), толщина основания M10 — 2,5 мм, обычная цена болта по умолчанию — M8. | |||||||||
Готовые к отправке U-образные хомуты и опоры для труб
YDCT предлагает широкий ассортимент стандартных хомутов с U-образными болтами, предназначенных для выхлопных систем, трубопроводов и промышленных сборок. На нашем складе представлены популярные размеры: от небольших выхлопных патрубков до 4-дюймовых выхлопных хомутов с U-образными болтами, что обеспечивает быструю доставку и стабильное качество.
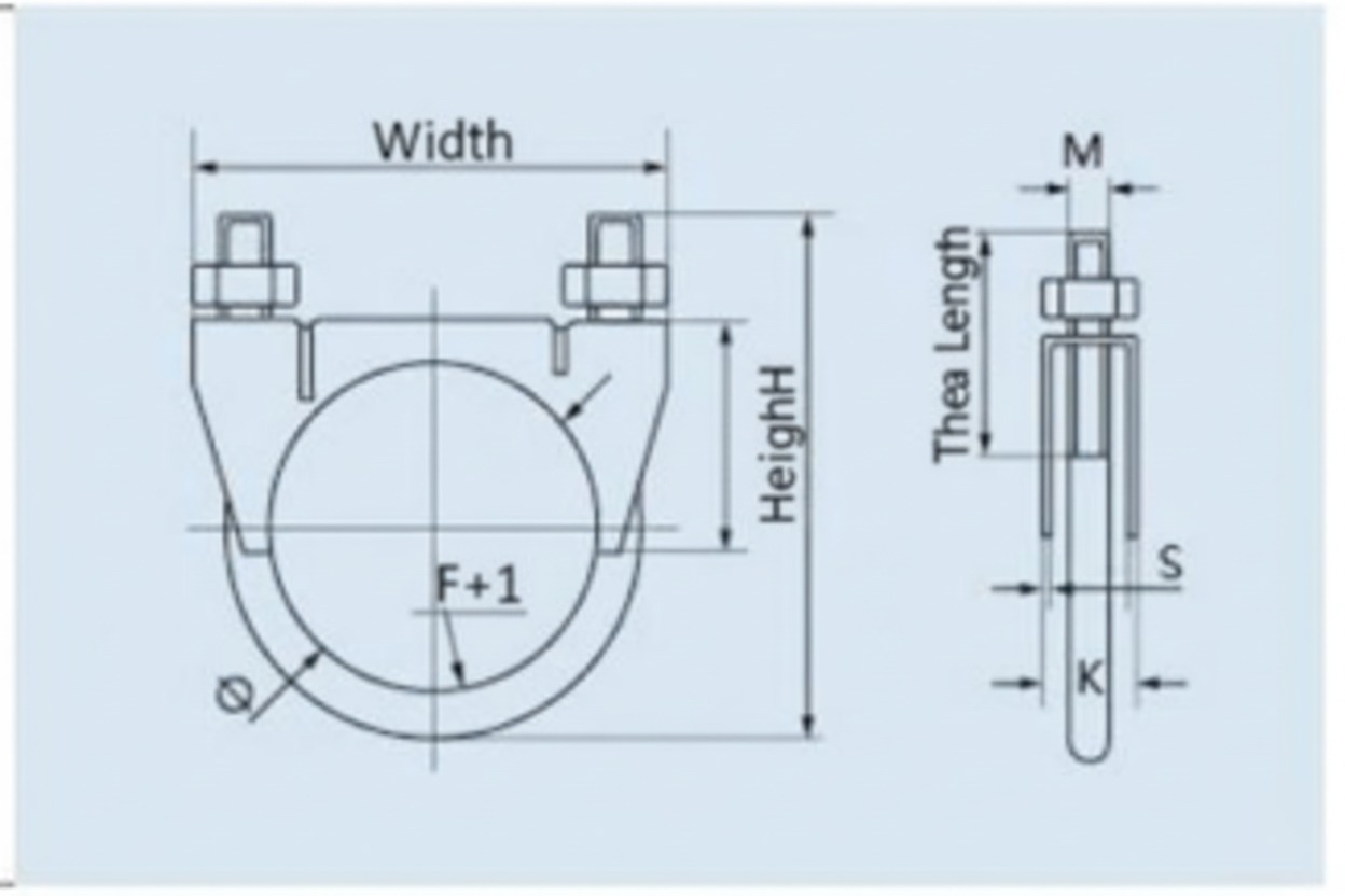
Каждый хомут выпускного U-образного болта состоит из U-образного болта, седельной пластины и двух шестигранных гаек. U-образный болт обеспечивает зажимное усилие, в то время как седло равномерно распределяет давление по поверхности трубы. Распространенные варианты включают в себя выпускные хомуты с U-образным болтом, хомуты с U-образным болтом для труб и сверхпрочные U-образные зажимные болты — все они доступны из оптовых запасов с гибким объемом заказа.


| Тип | Размер Ø | Высота Н | Ширина Ш | Длина резьбы L | F | M | K | S |
| A | 36 | 63 | 63 | 25 | 28.5 | M8 | 15 | 2 |
| 38 | 64 | 64 | 25 | 29 | M8 | 15 | 2 | |
| 42 | 65 | 70 | 25 | 31 | M8 | 15 | 2 | |
| 45 | 73 | 73 | 30 | 33 | M8 | 15 | 2 | |
| 48 | 77 | 76 | 30 | 34 | M8 | 15 | 2 | |
| 50 | 79 | 78 | 30 | 36 | M8 | 15 | 2 | |
| 54 | 83 | 82 | 30 | 37 | M8 | 15 | 2 | |
| 58 | 87 | 86 | 30 | 40 | M8 | 15 | 2 | |
| 63.5 | 75 | 92 | 30 | 43 | M8 | 15 | 2 | |
| 65 | 94 | 93 | 30 | 44 | M8 | 15 | 2 | |
| 70 | 95 | 100 | 40 | 43 | M8 | 15 | 2 | |
| 73 | 110 | 102 | 40 | 43 | M8 | 15 | 2 | |
| B | 54 | 89 | 87 | 40 | 32 | М10 | 17 | 3 |
| 94 | 128 | 128 | 45 | 60 | М10 | 21 | 3 | |
| 106 | 150 | 138 | 45 | 65 | М10 | 21 | 3 |
① Материал делится на углеродистую сталь и 304;
② Аксессуары разделены на гайки, болты и основывают три части, из которых прокладки являются дополнительными, прокладки имеют спиральную и обычную плоскую;
③ База может быть нажата, чтобы увеличить прочность, если это необходимо;
④ MOQ, 200 комплектов углеродистой стали, 304 нужен 1000 комплектов;
⑤ Диапазон регулировки размера: в соответствии с внешним диаметром трубы, есть диапазон регулировки 1-2 мм;
⑥ Продукты сельскохозяйственного оборудования, оцинкованные требования к толщине слоя 13 мкм микрон, обычные только 3-5 мкм микрон;
Готовые к отправке U-образные хомуты и опоры для труб
YDCT предлагает широкий ассортимент стандартных хомутов с U-образными болтами, предназначенных для выхлопных систем, трубопроводов и промышленных сборок. На нашем складе представлены популярные размеры: от небольших выхлопных патрубков до 4-дюймовых выхлопных хомутов с U-образными болтами, что обеспечивает быструю доставку и стабильное качество.
Каждый хомут выпускного U-образного болта состоит из U-образного болта, седельной пластины и двух шестигранных гаек. U-образный болт обеспечивает зажимное усилие, в то время как седло равномерно распределяет давление по поверхности трубы. Распространенные варианты включают в себя выпускные хомуты с U-образным болтом, хомуты с U-образным болтом для труб и сверхпрочные U-образные зажимные болты — все они доступны из оптовых запасов с гибким объемом заказа.


| Тип | Размер Ø | Высота Н | Ширина Ш | Длина резьбы L | F | M | K | S |
| A | 36 | 63 | 63 | 25 | 28.5 | M8 | 15 | 2 |
| 38 | 64 | 64 | 25 | 29 | M8 | 15 | 2 | |
| 42 | 65 | 70 | 25 | 31 | M8 | 15 | 2 | |
| 45 | 73 | 73 | 30 | 33 | M8 | 15 | 2 | |
| 48 | 77 | 76 | 30 | 34 | M8 | 15 | 2 | |
| 50 | 79 | 78 | 30 | 36 | M8 | 15 | 2 | |
| 54 | 83 | 82 | 30 | 37 | M8 | 15 | 2 | |
| 58 | 87 | 86 | 30 | 40 | M8 | 15 | 2 | |
| 63.5 | 75 | 92 | 30 | 43 | M8 | 15 | 2 | |
| 65 | 94 | 93 | 30 | 44 | M8 | 15 | 2 | |
| 70 | 95 | 100 | 40 | 43 | M8 | 15 | 2 | |
| 73 | 110 | 102 | 40 | 43 | M8 | 15 | 2 | |
| B | 54 | 89 | 87 | 40 | 32 | М10 | 17 | 3 |
| 94 | 128 | 128 | 45 | 60 | М10 | 21 | 3 | |
| 106 | 150 | 138 | 45 | 65 | М10 | 21 | 3 |
① Материал делится на углеродистую сталь и 304;
② Аксессуары разделены на гайки, болты и основывают три части, из которых прокладки являются дополнительными, прокладки имеют спиральную и обычную плоскую;
③ База может быть нажата, чтобы увеличить прочность, если это необходимо;
④ MOQ, 200 комплектов углеродистой стали, 304 нужен 1000 комплектов;
⑤ Диапазон регулировки размера: в соответствии с внешним диаметром трубы, есть диапазон регулировки 1-2 мм;
⑥ Продукты сельскохозяйственного оборудования, оцинкованные требования к толщине слоя 13 мкм микрон, обычные только 3-5 мкм микрон;
Индивидуальные зажимные решения для особых требований
Помимо стандартных размеров, YDCT производит зажимы с U-образными болтами на заказ по вашим чертежам или спецификациям.
Мы можем отрегулировать длину болта, тип резьбы, радиус изгиба или обработку поверхности в соответствии с потребностями вашего проекта — будь то U-образные хомуты для выхлопных труб или специальные конструкционные фитинги.
OEM-услуги включают в себя:
Брендирование и тиснение логотипа
Вариант материала (мягкая сталь, нержавеющая сталь, оцинкованная)
Индивидуальная упаковка и маркировка
Наша команда инженеров поддерживает полную настройку, чтобы обеспечить совместимость и долговечность в сложных условиях.
Мы также поддерживаем индивидуальные круглые и плоские стержни с U-образными болтами, доступные с оцинкованной или хромированной отделкой. Будучи прямым заводом, сертифицированным по системам качества ISO 9001 и IATF 16949, проверенным TÜV и одобренным BSCI, наша продукция также соответствует стандартам CE, RoHS и REACH.
U-образный зажим, вторичная гальванизация
Индивидуальная зажимная база с U-образным болтом


Индивидуальные зажимные решения для особых требований
Помимо стандартных размеров, YDCT производит зажимы с U-образными болтами на заказ по вашим чертежам или спецификациям.
Мы можем отрегулировать длину болта, тип резьбы, радиус изгиба или обработку поверхности в соответствии с потребностями вашего проекта — будь то U-образные хомуты для выхлопных труб или специальные конструкционные фитинги.
OEM-услуги включают в себя:
Брендирование и тиснение логотипа
Вариант материала (мягкая сталь, нержавеющая сталь, оцинкованная)
Индивидуальная упаковка и маркировка
Наша команда инженеров поддерживает полную настройку, чтобы обеспечить совместимость и долговечность в сложных условиях.
Мы также поддерживаем индивидуальные круглые и плоские стержни с U-образными болтами, доступные с оцинкованной или хромированной отделкой. Будучи прямым заводом, сертифицированным по системам качества ISO 9001 и IATF 16949, проверенным TÜV и одобренным BSCI, наша продукция также соответствует стандартам CE, RoHS и REACH.
U-образный зажим, вторичная гальванизация
Индивидуальная зажимная база с U-образным болтом


Хомуты YDCT с U-образным болтом в основном используются для крепления выхлопных труб к кронштейнам или раме автомобиля, обеспечивая стабильное и герметичное соединение в условиях высоких температур и вибрации. Они широко применяются в выхлопных системах автомобилей и тяжелых грузовиков, где долговременная прочность и коррозионная стойкость имеют решающее значение для производительности и безопасности.
Помимо использования в автомобилях, эти хомуты также используются в промышленных выхлопных системах, генераторных системах и строительном оборудовании, обеспечивая надежную поддержку труб и трубопроводов в сложных условиях.
В сочетании с гибкими выхлопными трубами YDCT хомут с U-образным болтом помогает снизить вибрационную нагрузку и продлить срок службы выхлопной конструкции.

Каждый зажим может поставляться с соответствующими гайками, шайбами и компонентами, предотвращающими ослабление, для полного удобства установки и обеспечения стабильного качества для всех производственных партий.
Хомуты YDCT с U-образным болтом в основном используются для крепления выхлопных труб к кронштейнам или раме автомобиля, обеспечивая стабильное и герметичное соединение в условиях высоких температур и вибрации. Они широко применяются в выхлопных системах автомобилей и тяжелых грузовиков, где долговременная прочность и коррозионная стойкость имеют решающее значение для производительности и безопасности.
Помимо использования в автомобилях, эти хомуты также используются в промышленных выхлопных системах, генераторных системах и строительном оборудовании, обеспечивая надежную поддержку труб и трубопроводов в сложных условиях.
В сочетании с гибкими выхлопными трубами YDCT хомут с U-образным болтом помогает снизить вибрационную нагрузку и продлить срок службы выхлопной конструкции.

Каждый зажим может поставляться с соответствующими гайками, шайбами и компонентами, предотвращающими ослабление, для полного удобства установки и обеспечения стабильного качества для всех производственных партий.