| штат: | |||||||||
|---|---|---|---|---|---|---|---|---|---|
| Эти сильфоны повышенной точности используются в трубопроводной арматуре, испытательных приборах и системах управления, где точность, гибкость и герметичность действительно имеют значение. Они работают как небольшие гибкие герметичные уплотнения или поглотители движения, помогая передавать, балансировать или изолировать изменения давления в деликатных системах. Наш завод уже много лет производит металлические сильфоны в сборе, уделяя особое внимание надежной работе и практическому контролю затрат, а не просто необычным спецификациям. Если вам нужны сильфоны для клапанов высокого давления, вакуумметров или прецизионных испытательных приборов, мы можем поставить правильный тип и убедиться, что он соответствует своей функции. | |||||||||
Мы держим на складе практичный выбор прецизионных сильфонов для быстрого отбора проб и небольших производственных циклов. Ниже приведены общие характеристики, которые вы найдете в наличии или готовы в короткие сроки:
| Позиция | Типичный диапазон/Примечания |
|---|---|
| Материалы (сток) | Оловянная бронза (CuSn), бериллиевая бронза (CuBe), латунь (CuZn), нержавеющая сталь (SS304, SS316L) |
| Диаметр | ~6–100 мм (стандартные размеры на складе; меньший или больший размер по запросу) |
| Длина/Ход | Соответствует требованиям к ходу клапана или инструмента. |
| Слои / Слои | 1–5 слоев обычно (многослойность увеличивает усталостную долговечность) |
| Типы производства | Формованная (гидроформовка/прокатная формовка), Сварные сильфоны, Приварные сильфоны |
| Концевые фитинги | Открытые концы, приварные ниппели, резьбовые концы, фланцы (стандартные размеры имеются на складе) |
| Давление/температура (типичное) | Давление от низкого до среднего для бронзы/латуни; более высокие характеристики при использовании нержавеющей стали или специальных сплавов; Диапазон температур зависит от материала |
| Тестирование | Базовая проверка утечек и проверка размеров, выполняемая на складских товарах. |
Примечания и откровенные замечания:
наши сильфоны из оловянной бронзы и латуни часто используются в OEM-производителях приборов и клапанов, где требуется проводимость или умеренная коррозионная стойкость; Бериллиевая бронза используется для применений, требующих более высокой прочности и эластичности, но она более контролируема из-за обращения со сплавом; Ложа из нержавеющей стали предназначена для случаев, подверженных высокой коррозии и температурам. На складе время выполнения заказа невелико, но если ваша спецификация очень необычна, мы обычно переходим к короткой настройке.
Мы держим на складе практичный выбор прецизионных сильфонов для быстрого отбора проб и небольших производственных циклов. Ниже приведены общие характеристики, которые вы найдете в наличии или готовы в короткие сроки:
| Позиция | Типичный диапазон/Примечания |
|---|---|
| Материалы (сток) | Оловянная бронза (CuSn), бериллиевая бронза (CuBe), латунь (CuZn), нержавеющая сталь (SS304, SS316L) |
| Диаметр | ~6–100 мм (стандартные размеры на складе; меньший или больший размер по запросу) |
| Длина/Ход | Соответствует требованиям к ходу клапана или инструмента. |
| Слои / Слои | 1–5 слоев обычно (многослойность увеличивает усталостную долговечность) |
| Типы производства | Формованная (гидроформовка/прокатная формовка), Сварные сильфоны, Приварные сильфоны |
| Концевые фитинги | Открытые концы, приварные ниппели, резьбовые концы, фланцы (стандартные размеры имеются на складе) |
| Давление/температура (типичное) | Давление от низкого до среднего для бронзы/латуни; более высокие характеристики при использовании нержавеющей стали или специальных сплавов; Диапазон температур зависит от материала |
| Тестирование | Базовая проверка утечек и проверка размеров, выполняемая на складских товарах. |
Примечания и откровенные замечания:
наши сильфоны из оловянной бронзы и латуни часто используются в OEM-производителях приборов и клапанов, где требуется проводимость или умеренная коррозионная стойкость; Бериллиевая бронза используется для применений, требующих более высокой прочности и эластичности, но она более контролируема из-за обращения со сплавом; Ложа из нержавеющей стали предназначена для случаев, подверженных высокой коррозии и температурам. На складе время выполнения заказа невелико, но если ваша спецификация очень необычна, мы обычно переходим к короткой настройке.
Сообщите нам, что вам действительно нужно: номинальное давление, количество циклов, среда и детали установки, и мы предложим подходящую конструкцию. Типичные варианты настройки включают в себя:
1. Выбор материала
Оловянная бронза (CuSn), хорошая износостойкость и общие коррозионные характеристики; обычно используется в приборных и общепромышленных сильфонах.
Бериллиевая бронза (CuBe) — высокая прочность, хорошая усталостная долговечность, часто выбирается там, где требуются немагнитные или высокоэластичные свойства;
Примечание: обращение и контроль бериллиевых сплавов требуют строгих мер безопасности на рабочем месте, и мы обсудим это с вами.
Нержавеющая сталь (SS304, SS316L.ect), лучше всего подходит для более высоких температур, агрессивных сред, более широкого диапазона давления; Доступны в сварной или многослойной конструкции.
Высокоэластичные сплавы и другие специальные материалы, такие как 1Cr18Ni9TiG, работают в диапазоне температур 194℃~+400℃. Они обладают высокой усталостной прочностью на изгиб и коррозионной стойкостью, а также обладают хорошими сварочными характеристиками. Могут использоваться в качестве измерительных, уплотнительных, соединительных и компенсирующих элементов в агрессивных средах.
Латунь (CuZn), экономичная для приборов с низким и средним давлением; более легкая обработка и формовка.

2. Слой/стена и геометрия
Однослойный или многослойный (типично 2–5 слоев). Больше слоев → лучший усталостный ресурс и контроль гибкости, но более высокая стоимость и немного уменьшенный внутренний объем.
Количество и глубина рифлений — влияет на жесткость и допустимое перемещение. Мы подберем дизайн гофра в соответствии с вашими целевыми показателями хода и цикла эксплуатации.

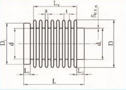
| D | Внешний диаметр |
| d | Внутренний диаметр |
| δ₀ | Толщина однослойной стенки сильфона |
| t | Подача |
| a | Толщина волны |
| n | Количество слоев сильфона |
| L | Общая длина |
| Л₀ | Эффективная длина |
| Л₁ | Конечная длина внутреннего фитинга |
| л₂ | Длина конца внешнего фитинга |
| Д₁ | Внутренний диаметр фитинга |
| д₁ | Внешний диаметр фитинга |
3. Производственный подход
Формованный: подходит для определенных размеров и тонкостенных конструкций.
Сварные сильфоны: точные, герметичные, обычные для приборного и вакуумного применения.
Сварка по краям: используется там, где требуется полная осевая целостность и способность выдерживать давление.
4. Торцевые соединения и фитинги
Приварные ниппели, резьбовые соединения, фланцы или переходники по индивидуальному заказу. Мы можем приварить фланцы или подогнать переходники по вашему чертежу.
5. Тестирование и сертификация
Испытание на утечку гелием, циклическое испытание давлением/усталостью, сертификаты материалов (например, следы ASTM/ISO). Если вам нужны конкретные стандарты (AS9100, PED, ISO 9001) или протоколы испытаний для квалификации, мы включим это в предложение.
6. Упаковка, маркировка и отслеживание.
Нумерация партий, отслеживание материалов, ссылки EDI/PO, OEM-упаковка — все это доступно для оптовых заказов.
Сообщите нам, что вам действительно нужно: номинальное давление, количество циклов, среда и детали установки, и мы предложим подходящую конструкцию. Типичные варианты настройки включают в себя:
1. Выбор материала
Оловянная бронза (CuSn), хорошая износостойкость и общие коррозионные характеристики; обычно используется в приборных и общепромышленных сильфонах.
Бериллиевая бронза (CuBe) — высокая прочность, хорошая усталостная долговечность, часто выбирается там, где требуются немагнитные или высокоэластичные свойства;
Примечание: обращение и контроль бериллиевых сплавов требуют строгих мер безопасности на рабочем месте, и мы обсудим это с вами.
Нержавеющая сталь (SS304, SS316L.ect), лучше всего подходит для более высоких температур, агрессивных сред, более широкого диапазона давления; Доступны в сварной или многослойной конструкции.
Высокоэластичные сплавы и другие специальные материалы, такие как 1Cr18Ni9TiG, работают в диапазоне температур 194℃~+400℃. Они обладают высокой усталостной прочностью на изгиб и коррозионной стойкостью, а также обладают хорошими сварочными характеристиками. Могут использоваться в качестве измерительных, уплотнительных, соединительных и компенсирующих элементов в агрессивных средах.
Латунь (CuZn), экономичная для приборов с низким и средним давлением; более легкая обработка и формовка.

2. Слой/стена и геометрия
Однослойный или многослойный (типично 2–5 слоев). Больше слоев → лучший усталостный ресурс и контроль гибкости, но более высокая стоимость и немного уменьшенный внутренний объем.
Количество и глубина рифлений — влияет на жесткость и допустимое перемещение. Мы подберем дизайн гофра в соответствии с вашими целевыми показателями хода и цикла эксплуатации.

| D | Внешний диаметр |
| d | Внутренний диаметр |
| δ₀ | Толщина однослойной стенки сильфона |
| t | Подача |
| a | Толщина волны |
| n | Количество слоев сильфона |
| L | Общая длина |
| Л₀ | Эффективная длина |
| Л₁ | Конечная длина внутреннего фитинга |
| л₂ | Длина конца внешнего фитинга |
| Д₁ | Внутренний диаметр фитинга |
| д₁ | Внешний диаметр фитинга |
3. Производственный подход
Формованный: подходит для определенных размеров и тонкостенных конструкций.
Сварные сильфоны: точные, герметичные, обычные для приборного и вакуумного применения.
Сварка по краям: используется там, где требуется полная осевая целостность и способность выдерживать давление.
4. Торцевые соединения и фитинги
Приварные ниппели, резьбовые соединения, фланцы или переходники по индивидуальному заказу. Мы можем приварить фланцы или подогнать переходники по вашему чертежу.
5. Тестирование и сертификация
Испытание на утечку гелием, циклическое испытание давлением/усталостью, сертификаты материалов (например, следы ASTM/ISO). Если вам нужны конкретные стандарты (AS9100, PED, ISO 9001) или протоколы испытаний для квалификации, мы включим это в предложение.
6. Упаковка, маркировка и отслеживание.
Нумерация партий, отслеживание материалов, ссылки EDI/PO, OEM-упаковка — все это доступно для оптовых заказов.
Эти прецизионные многослойные сильфоны подходят для любого применения, где требуется герметичная, повторяемая изоляция движения или давления. Типичные отрасли и области применения включают:
Клапан и регулирование расхода, компенсация исполнительных механизмов, балансировка давления в регулирующих клапанах для энергетических, химических и водоочистных станций.
Приборы для испытаний и измерений, манометры, калибровочные стенды, измерительные приборы, где важны герметичность и повторяемость.
Вакуумные и криогенные системы, сварные сильфоны для герметичного перемещения в вакуумных камерах и контрольно-измерительных приборах.
Энергетическое и химическое оборудование, компенсирующее тепловое расширение и защищающее датчики и датчики в агрессивных средах.
Железнодорожное и тяжелое машиностроение, компоненты, используемые в системах подвижного состава, и арматура для тяжелых условий эксплуатации; обратите внимание на нашу существующую историю сотрудничества с CRRC и другими отраслевыми партнерами.
Прецизионные устройства OEM, сборки медицинских приборов, устройства промышленной автоматизации, в которые встроены малогабаритные высокоточные сильфоны.
Некоторые приложения требуют очень специфических сертификатов или чистоты (например, вакуум или медицина). Если это ваш случай, сообщите об этом заранее, чтобы мы могли подтвердить осуществимость и необходимые тесты.

Эти прецизионные многослойные сильфоны подходят для любого применения, где требуется герметичная, повторяемая изоляция движения или давления. Типичные отрасли и области применения включают:
Клапан и регулирование расхода, компенсация исполнительных механизмов, балансировка давления в регулирующих клапанах для энергетических, химических и водоочистных станций.
Приборы для испытаний и измерений, манометры, калибровочные стенды, измерительные приборы, где важны герметичность и повторяемость.
Вакуумные и криогенные системы, сварные сильфоны для герметичного перемещения в вакуумных камерах и контрольно-измерительных приборах.
Энергетическое и химическое оборудование, компенсирующее тепловое расширение и защищающее датчики и датчики в агрессивных средах.
Железнодорожное и тяжелое машиностроение, компоненты, используемые в системах подвижного состава, и арматура для тяжелых условий эксплуатации; обратите внимание на нашу существующую историю сотрудничества с CRRC и другими отраслевыми партнерами.
Прецизионные устройства OEM, сборки медицинских приборов, устройства промышленной автоматизации, в которые встроены малогабаритные высокоточные сильфоны.
Некоторые приложения требуют очень специфических сертификатов или чистоты (например, вакуум или медицина). Если это ваш случай, сообщите об этом заранее, чтобы мы могли подтвердить осуществимость и необходимые тесты.
